迈世·机房监控体验端
咨询热线
400-030-5510





OM-ACM-A802单相电量采集模块是高度集成化的针对单相电量参数测量应用的产品,准确测量单相交流电压、电流(真有效值测量)、有功功率、无功功率、功率因数、频率、有功电度、无功电度等电参量。
400-030-5510

OM-ACM-A802单相电量采集??槭歉叨燃苫恼攵缘ハ嗟缌坎问饬坑τ玫牟?,准确测量单相交流电压、电流(真有效值测量)、有功功率、无功功率、功率因数、频率、有功电度、无功电度等电参量,RS-485通讯接口,具有极优的性价比。采用卡装式结构,体积小巧、安装方便,是电力参数采集行业的首选???。使用本产品时须通过RS-485接口按Modbus-RTU协议进行通讯,获取所需的数字式电参量值。
适用于政府、电力、军队、银行、电信、教育、医院、机场、铁路、工厂、酒店、仓库、交通等行业,专为计算机网络机房、通信机房、通信基站、电力基站、变电站、居民配电所、UPS机房、蓄电池组机房、户外机柜、无人值守现场、仓库等场景的单相电能计量与监测。
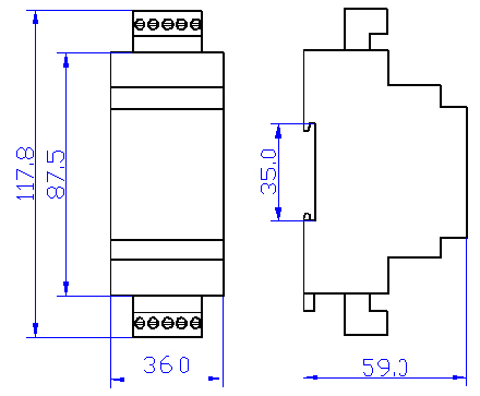
| 产品型号 | OM-ACM-A802 | 安装方式 | 35mm 标准DIN导轨安装 |
|---|---|---|---|
| 通信接口 | RS485 MODBUS-RTU标准规约,可选DLT645规约 | 电源 | DC+10~30V供电,峰值电压不得超过+40V;典型功耗:≤0.5W |
| 波特率 | 默认9600,可选2400,4800,9600 数据格式N ,8,1 | 温度漂移 | ≤50ppm/℃ |
| 交流输入 |
输入频率:工频,45~65Hz; 电压量程(相电压): 100V、260V、450V等可??; 电流量程:1A、5A,也可以配置精密互感器100A/50MA;50A/25ma等; 信号处理:采用专用测量芯片,24位AD采样; 数据更新周期:0.05S~1.00S可配置; 过载能力:1.2倍量程可持续;瞬间电流5倍,电压3倍量程不损坏; 输入阻抗:电压通道>1 kΩ/V;电流通道≤100mΩ; |
工作环境 |
工作温度:-20~+70℃;存放温度:-40~+85℃; 相对湿度:5~95%,无结露(在40℃下); 海拔高度:0~3000米; 环境:无爆炸、腐蚀气体及导电尘埃,无显著摇动、振动和冲击场所; |
| 电能脉冲输出 |
1路,可配置选择的(绝对值和)有功或无功电能脉冲输出; 脉冲输出宽度为50mS,负脉冲; 每个脉冲当量为:仪表电压量程*电流量程/2400 000度 |
隔离 | DC供电电源、RS-485接口间为共地,与电压输入、电流输入之间相互隔离;隔离耐压2500VDC |
| 测量输出数据 | 电压、电流、功率、电能等10多个电参量 | ??槌叽? | 118×36×59mm |
| 测量精度 | 电压、电流:±0.2%FS;电量:±0.5%FS | 认证 | 第三方检测报告 |
请根据产品规格型号,参照以上图示正确接线。接线前要确保断开所有信号源,避免发生危险及损坏设备。检查确认接线无误后,再接通电源测试。 接通电源后,“RUN”运行指示灯会根据设置的数据更新速率同步闪烁。
产品出厂时,均设置为默认配置:地址1号、波特率9600bps、数据格式“n,8,1”、数据更新速率为600ms、变比为1。
智慧机房在线体验
迈世·机房监控体验端
400电话
微信扫一扫